Product Summary
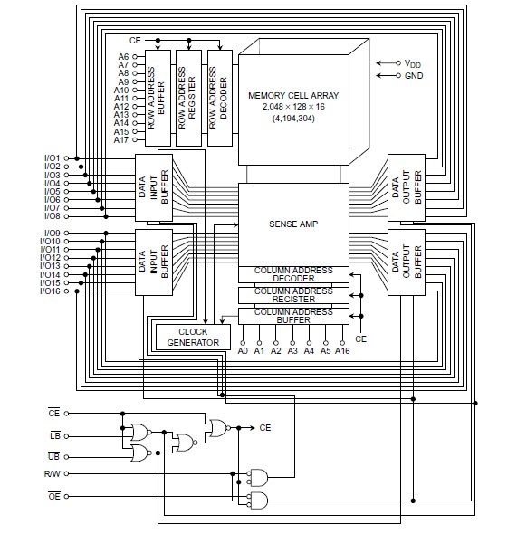
The TC55NEM216ATGN70 is a 4,194,304-bit static random access memory (SRAM) organized as 262,144 words by 16 bits. Fabricated using Toshibas CMOS Silicon gate process technology, this device operates from a single 5V ± 10% power supply. Advanced circuit technology provides both high speed and low power at an operating current of 3 mA/MHz (typ) and a minimum cycle time of 55 ns. It is automatically placed in low-power mode at 1 μA standby current (typ) when chip enable (CE) is asserted high. There are two control inputs. CE is used to select the device and for data retention control, and output enable (OE ) provides fast memory access. Data byte control pin (LB , UB ) provides lower and upper byte access. This device is well suited to various microprocessor system applications where high speed, low power and battery backup are required. And, with a guaranteed operating extreme temperature range of −40° to 85℃, the TC55NEM216ATGN70 can be used in environments exhibiting extreme temperature conditions. The TC55NEM216ATGN70 is available in a plastic 54-pin thin-small-outline package (TSOP).
Parametrics
TC55NEM216ATGN70 absolute maximum ratings: (1)VDD Power Supply Voltage: -0.3~7.0 V; (2)VIN Input Voltage: -0.3~7.0 V; (3)VI/O Input/Output Voltage: -0.5~VDD + 0.5 V; (4)PD Power Dissipation: 0.6 W; (5)Tsolder Soldering Temperature (10s): 260 ℃; (6)Tstg Storage Temperature: -55~150 ℃; (7)Topr Operating Temperature: -40~85 ℃.
Features
TC55NEM216ATGN70 features: (1)Low-power dissipation Operating: 15 mW/MHz (typical); (2)Single power supply voltage of 5 V ± 10%; (3)Power down features using CE; (4)Data retention supply voltage of 2.0 to 5.5 V; (5)Direct TTL compatibility for all inputs and outputs; (6)Wide operating temperature range of −40° to 85℃; (7)Standby Current (maximum): 20 μA.
Diagrams

| Image | Part No | Mfg | Description | ![]() |
Pricing (USD) |
Quantity | ||||
|---|---|---|---|---|---|---|---|---|---|---|
![]() |
![]() TC55NEM216ATGN70 |
![]() Other |
![]() |
![]() Data Sheet |
![]() Negotiable |
|
||||
![]() |
![]() TC55NEM216ATGN70LA |
![]() Other |
![]() |
![]() Data Sheet |
![]() Negotiable |
|
||||
(China (Mainland))







